PRODUK

tangki fermentasi tequila terbuka

tangki fermentasi tequila terbuka

tangki fermentasi tequila adalah wadah khusus berukuran sedang hingga besar yang dirancang untuk proses fermentasi agave, dengan fitur utama berikut:
1. Mengadopsi struktur terbuka yang memungkinkan sirkulasi udara alami dan pertumbuhan ragi liar pada mash agave, memberikan tequila profil rasa yang unik dan kompleks.
2. Biasanya terbuat dari baja tahan karat food-grade atau beton yang aman untuk pangan; tangki beton dapat lebih lanjut mengatur suhu dan menambahkan nuansa mineral halus pada mash yang difermentasi.

DESKRIPSI PRODUK

tangki fermentasi tequila adalah wadah khusus berukuran sedang hingga besar yang dirancang untuk proses fermentasi agave, dengan fitur utama berikut:

1. Mengadopsi struktur terbuka yang memungkinkan sirkulasi udara alami dan pertumbuhan ragi liar pada mash agave, memberikan tequila profil rasa yang unik dan kompleks.

2. Biasanya terbuat dari baja tahan karat food-grade atau beton yang aman untuk pangan; tangki beton dapat lebih lanjut mengatur suhu dan menambahkan nuansa mineral halus pada mash yang difermentasi.

3. Dilengkapi dengan perangkat pengaduk manual atau mekanis untuk membalik serat agave yang mengapung di permukaan, memastikan kontak penuh antara gula dan ragi serta meningkatkan efisiensi fermentasi.

4. Dirancang dengan kedalaman dangkal untuk meningkatkan area kontak antara mash dan udara, yang sesuai dengan proses fermentasi tequila tradisional dan cocok untuk produksi artisanal skala kecil.

5. Memiliki struktur yang sederhana dan tahan lama, dengan dinding bagian dalam yang mudah dibersihkan dan port pembuangan yang nyaman di bagian bawah, sesuai dengan kebutuhan operasi batch frekuensi tinggi di penyulingan tequila.


tangki fermentasi tequila bagian atas terbuka


NO.

Item

Model

Jml

Spesifikasi Teknis

Foto

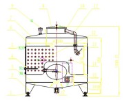
1. Sistem fermentasi

01

 tangki fermentasi tequila bagian atas terbuka


5000L

1pcs

• Baja tahan karat 304

• bagian atas terbuka

• Katup sampel

• rakitan outlet tequila dan outlet drainase

• Pelapis las penuh

• Penutup lubang akses atas

• dengan jaket pendingin

• Probe RTD

• Katup kupu-kupu 2″

• PVRV 2″

• Termometer bimetalik

aebf7ff36d1737f8c820d9037a867676


Dapatkan penawaran

KIRIM

Pengemasan dan pengiriman

  • Gambar WeChat_20260106111249_4703_51
  • Gambar WeChat_20251218115158_917_58
  • tangki kemasan2
  • {19A05451-3BBE-4256-91BE-DCB54A4256E8}
  • Gambar WeChat_20251215092419_4177_51
  • Gambar WeChat_20260117103431_1293_58
  • Gambar WeChat_20250811092913_158_75
  • Kemasan Kontainer 1